Bedpan Washer, Single Pedal Valve w/ Integral Stops, Vacuum
T&S Brass
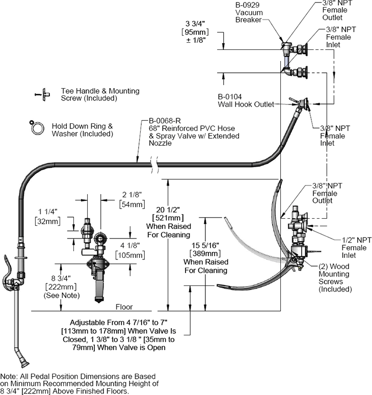
B-0685Wall mount single pedal valve with angled loose key stops, 3/8" NPT angled volume control, 3/8" NPT atmospheric vacuum breaker, 3/8" NPT wall hook outlet, spray valve with extended nozzle with 2.2 GPM rosespray and 68" PVC hose and 1/2" NPT female inlets. Certified to ASME A112.18.1/CSA B125.1 and ASSE 1001.
- Pressure: 20 - 125 psi (1.38 bar - 8.62 bar)
- Temperature: 40°F - 140°F (4.44°C - 60°C)
- 2.20 GPM @ 60 psi (8.33 L/min @ 4.14 bar)
42732048
Bedpan Washer, Single Pedal Valve w/ Integral Stops, Vacuum
$
1238.88
/ each
Item Added to Cart
|
SKU
|
Description
|
Quantity
|
|
|---|---|---|---|
|
|
More Info
Features & Benefits
- Wall mount single pedal valve with polished chrome plated brass body
- Pedal valve with 1/2" NPT female angled loose key stop
- Volume control valve with 3/8" NPT female outlet on pedal valve
- Wall hook with 3/8" NPT flange inlet
- Elevated vacuum breaker
- 68" PVC hose with self closing spray valve and extended spray nozzle w/ 2.2 GPM rosespray
- Material: Polished chrome plated brass body and spray valve body, vacuum breaker & adjustable flanges and chrome plated metal pedal

